


開關電源[9]的工作模式可以分為兩種:連續模式(CCM)和不連續模式(DCM)。
T1—矩形脈沖寬度。從式中可以看出:當保持Um和T不變的時候,我們只要能夠使脈沖寬度隨輸出電壓的增大而變窄就可以減小U0從而保持輸出電壓的穩定。2.2開關電源的工作模式開關電源[9]的工作模式可以分為兩種:連續模式(CCM)和不連續模式(DCM)。它們的變壓器初級電流波形如圖2-2、2-3所示:
由圖可知,在連續模式下,初級電流是從一定幅度開始增大的,上升到峰值再迅速降到零。這表明,在連續模式下,儲存在高頻變壓器中的能量在每個開關周期內并未全部釋放掉,所以下一開關周期具有一個初始能量。采用連續模式可減小初級峰值電流Ip和有效值電流IRMS,降低芯片的功耗,相對效率會高。但連續模式要求增大初級電感量Lp,這會導致高頻變壓器的體積增大。綜上所述,連續模式適用于大輸出功率和大尺寸高頻變壓器的設計當中。非連續模式的開關電流則是從零開始上升到峰值,再降至零的。這意味著儲存在高頻變壓器中的能量必須在每個開關周期內完全釋放掉。非連續模式一般適用于小輸出功率較和小尺寸高頻變壓器的設計當中。在設計時,應綜合考慮兩種模式的優缺點,當輸出功率比較高的時候工作在CCM模式,當輸出功率比較低或待機情況下工作在DCM模式。本設計的開關電源工作在DCM模式下。
反激開關電源的輸入端峰值電流I=VS*Ton/L,(VS:輸入電壓,Ton:開關開通時間,L:原邊電感)反激式變壓器開關電源,是指當變壓器的初級線圈正好被直流脈沖電壓激勵時,變壓器的次級線圈沒有向負載提供功率輸出,而僅在變壓器初級線圈的激勵電壓被關斷后才向負載提供功率輸出,這種變壓器開關電源稱為反激式開關電源。
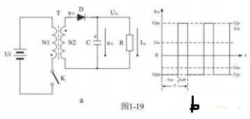
圖1-19-a是反激式變壓器開關電源的簡單工作原理圖,圖1-19-a中,Ui是開關電源的輸入電壓,T是開關變壓器,K是控制開關,C是儲能濾波電容,R是負載電阻。
上一篇:開關電源常用的軟啟動電路有幾種
下一篇:開關電源的各類拓撲電路結構


