


24v開關電源電路圖(一)
電路以UC3842振動芯片為中心,構成逆變、整流電路。UC3842一種高性能單端輸出式電流操控型脈寬調制器芯片,相關引腳功能及內部電路原理已有介紹,此處從略。
AC220V電源經共模濾波器L1引入,能較好抑制從電網進入的和從電源本身向輻射的高頻干擾,溝通電壓經橋式整流電路、電容C4濾波成為約280V的不穩定直流電壓,作為由振動芯片U1、開關管Q1、開關變壓器T1及其它元件組成的逆變電路。
逆變電路,能夠分為四個電路部分講解其電路工作原理。
圖1 CL-A-35-24儀用DC24V開關電源
1、振動回路:開關變壓器的主繞組N1、Q1的漏--源極、R2(作業電流檢測電阻)為電源作業電流的通路;本機發動電路與其它開關電源(發動電路由降壓限流電阻組成)有所不同,發動電路由C5、D3、D4組成,供給一個“瞬態”的發動電流,二極管D2吸收反向電壓,D3具有整流作用,保證加到U1的7腳的發動電流為正電流;電路起振后,由N2自供電繞組、D2、C5整流濾波電路,供給U1芯片的供電電壓。這三個環節的正常運行,是電源可以振動起來的先決條件。
當然,U1的4腳外接定時元件R48、C8和U1芯片自身,也構成了振動回路的一部分。
電容式發動電路,當過載或短路毛病產生時,電路能處于穩定的停振維護狀況,不像電阻發動電路,會再現“打嗝”式間歇振動現象。
作業電流檢測從電阻R2上獲得,當毛病狀況引起作業過流反常增大時,U1的6腳輸出PWM脈沖占空比減小,N1自供電繞組的感應電路也隨之降低,當U1的7腳供電電壓低于10V時,電路停振,負載電壓為0,這是過流(過載或短路)引發U1內部欠電壓維護電路動作導致的輸出間斷;作業電流反常增大時,R2上的電壓降大于1V時,內部鎖存器動作,電路停振,這是由過流引發U1內部過流維護動作導致輸出間斷。
2、穩壓回路:開關變壓器的N3繞組、D6、C13、C14等元件組成的24V電源,基準電壓源TL1、光耦合器U2等元件構成了穩壓操控回路。
U1芯片和1、2腳外圍元件R7、C12,也是穩壓回路的一部分。實際上,TL1、U1組成了(相對于U1內部電壓誤差放大器)外部誤差放大器,將輸出24V的電壓改變反應回U1的反應電壓信號輸入端。
當24V輸出電壓上升時,U1的2腳電壓上升,1腳電壓下降,輸出PWM脈沖占空比下降,輸出電路回落。當輸出電壓反常上升時,U1的1腳下降為1V時,內部維護電路動作,電路停振。
3、維護回路:U1芯片自身和3腳外圍電路構成過流維護回路;N1繞組上并聯的D1、R1、C9元件構成了開關管的反向電壓吸收維護電路,以供給Q1截止時的反向電流通路,保證Q1的作業安全;實質上穩壓回路的電壓反應信號,也可看作是一路電壓維護信號——當反應電壓起伏達一定值時,電路實施停振維護動作;24V的輸出端并聯有由R18、ZD2、單向晶閘管SCR組成的過壓維護電路,當穩壓電路反常,引起輸出電壓反常上升時,穩壓二極管ZD2的擊穿為SCR供給觸發電流,SCR的導通形成一個“短路電流”信號,強制U1內部維護電路產生過流維護動作,電路處于停振狀況。
24v開關電源電路圖(二)
24v開關電源電路圖(三)
24V開關電源,是高頻逆變開關電源中的一個品種。經過電路操控開關管進行高速的道通與截止.將直流電轉化為高頻率的交流電提供應變壓器進行變壓,然后發生所需要的一組或多組電壓!
24V開關電源的作業原理是:
1.交流電源輸入經整流濾波成直流;
2.經過高頻PWM(脈沖寬度調制)信號操控開關管,將那個直流加到開關變壓器初級上;
3.開關變壓器次級感應出高頻電壓,經整流濾波供應負載;
4.輸出部分經過一定的電路反饋給操控電路,操控PWM占空比,以達到穩定輸出的目的。
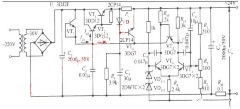
24v開關電源電路圖
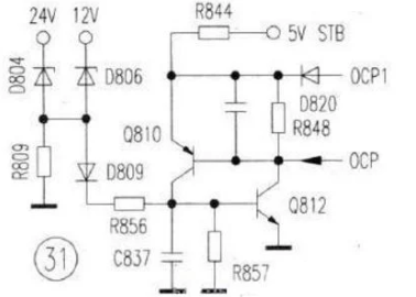
24V過流保護圖
24V過壓保護圖
24v開關電源電路圖(四)
上一篇:高頻開關電源的性能及原理
下一篇:如何了解開關電源的概念及電路原理


