


開關電源現在已經廣泛使用于工業主動化操控軍工設備、科研設備、LED照明、工控設備、通訊設備、電力設備、儀器儀表、醫療設備、半導體制冷制熱、空氣凈化器,電子冰箱,液晶顯示器,LED燈具,通訊設備,視聽產品,安防監控,LED燈帶,電腦機箱,數碼產品和儀器類等范疇幾乎隨處可見。
開關電源的首要電路是由輸入電磁攪擾濾波器(EMI)、整流濾波電路、功率變換電路、PWM操控器電路、輸出整流濾波電路組成。輔助電路有輸入過欠壓維護電路、輸出過欠壓維護電路、輸出過流維護電路、輸出短路維護電路等組成的。
開關電源的電路組成方框圖如下:

②輸入濾波電路:C1、L1、C2、C3組成的雙π型濾波網絡首要是對輸入電源的電磁噪聲及雜波信號進行按捺,避免對電源攪擾,同時也避免電源自身發生的高頻雜波對電網攪擾。當電源敞開瞬間,要對C5充電,因為瞬間電流大,加RT1(熱敏電阻)就能有用的避免浪涌電流。因瞬時能量全耗費在RT1電阻上,必定時刻后溫度升高后RT1阻值減小(RT1是負溫系數元件),這時它耗費的能量十分小,后級電路可正常作業。
③整流濾波電路:溝通電壓經BRG1整流后,經C5濾波后得到較為純凈的直流電壓。若C5容量變小,輸出的溝通紋波將增大。
DC輸入濾波電路原理:
②R1、R2、R3、Z1、C6、Q1、Z2、R4、R5、Q2、RT1、C7組成抗浪涌電路。在起機的瞬間,因為C6的存在Q2不導通,電流經RT1構成回路。當C6上的電壓充至Z1的穩壓值時Q2導通。如果C8漏電或后級電路短路現象,在起機的瞬間電流在RT1上發生的壓降增大,Q1導通使Q2沒有柵極電壓不導通,RT1將會在很短的時刻燒毀,以維護后級電路。
1、MOS管的作業原理:目前使用最廣泛的絕緣柵場效應管是MOSFET(MOS管),是使用半導體外表的電聲效應進行作業的。也稱為外表場效應器件。因為它的柵極處于不導電狀況,所以輸入電阻能夠大大提高,最高可達105歐姆,MOS管是使用柵源電壓的巨細,來改動半導體外表感生電荷的多少,從而操控漏極電流的巨細。
常見的原理圖:

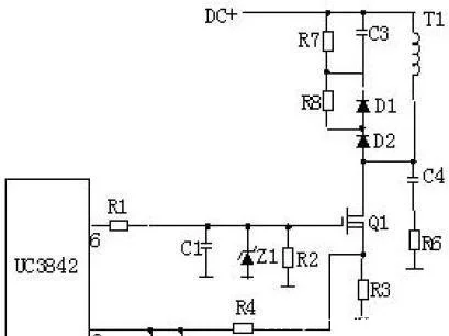
R4、C3、R5、R6、C4、D1、D2組成緩沖器,和開關電源MOS管并接,使開關電源管電壓應力削減,EMI削減,不發生二次擊穿。在開關電源管Q1關斷時,變壓器的原邊線圈易發生尖峰電壓和尖峰電流,這些元件組合一起,能很好地吸收尖峰電壓和電流。從R3測得的電流峰值信號參與當前作業周波的占空比操控,因此是當前作業周波的電流束縛。當R5上的電壓抵達1V時,UC3842停止作業,開關電源管Q1當即關斷。R1和Q1中的結電容CGS、CGD一起組成RC網絡,電容的充放電直接影響著開關電源管的開關電源速度。R1過小,易引起振動,電磁攪擾也會很大;R1過大,會下降開關電源管的開關電源速度。Z1一般將MOS管的GS電壓束縛在18V以下,然后維護了MOS管。
Q1的柵極受控電壓為鋸形波,當其占空比越大時,Q1導通時刻越長,變壓器所貯存的能量也就越多;當Q1截止時,變壓器通過D1、D2、R5、R4、C3開釋能量,同時也抵達了磁場復位的意圖,為變壓器的下一次存儲、傳遞能量做好了預備。IC依據輸出電壓和電流時刻調整著⑥腳鋸形波占空比的巨細,然后安穩了整機的輸出電流和電壓。C4和R6為尖峰電壓吸收回路。
2、 推挽式功率改換電路: Q1和Q2將輪流導通。


反激式整流電路:
反激式整流電路:
反饋電路原理圖:
1、在輸出端短路的情況下,PWM操控電路能夠把輸出電流約束在一個安全范圍內,它能夠用多種方法來完成限流電路,當功率限流在短路時不起作用時,只有另增設一部分電路。
2、短路維護電路一般有兩種,下圖是小功率短路維護電路,其原理簡述如下:
當輸出電路短路,輸出電壓消失,光耦OT1不導通,UC3842①腳電壓上升至5V左右,R1與R2的分壓超越TL431基準,使之導通,UC3842⑦腳VCC電位被拉低,IC停止作業。UC3842停止作業后①腳電位消失,TL431不導通UC3842⑦腳電位上升,UC3842重新啟動,循環往復。當短路現象消失后,電路能夠主動康復成正常作業狀況。
下圖是中功率短路維護電路,其原理簡述如下:
下圖是用電流互感器取樣電流的維護電路
輸出過壓維護電路的作用是:當輸出電壓超越規劃值時,把輸出電壓限定在一安全值的范圍內。當開關電源內部穩壓環路呈現故障或者因為用戶操作不當引起輸出過壓現象時,過壓維護電路進行維護以避免損壞后級用電設備。
使用最為普遍的過壓維護電路有如下幾種:
可控硅觸發維護電路:
光電耦合維護電路:
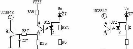
輸出限壓維護電路:輸出限壓維護電路如下圖,當輸出電壓升高,穩壓管導通光耦導通,Q1基極有驅動電壓而道通,UC3842③電壓升高,輸出下降,穩壓管不導通,UC3842③電壓下降,輸出電壓升高。循環往復,輸出電壓將安穩在一范圍內(取決于穩壓管的穩壓值)。

輸入電壓經L1、L2、L3等組成的EMI濾波器,BRG1整流一路送PFC電感,另一路經R1、R2分壓后送入PFC操控器作為輸入電壓的取樣,用以調整操控信號的占空比,即改動Q1的導通和關斷時刻,安穩PFC輸出電壓。L4是PFC電感,它在Q1導通時儲存能量,在Q1關斷時施放能量。D1是啟動二極管。D2是PFC整流二極管,C6、C7濾波。PFC電壓一路送后級電路,另一路經R3、R4分壓后送入PFC操控器作為PFC輸出電壓的取樣,用以調整操控信號的占空比,安穩PFC輸出電壓。
原理圖:
AC輸入和DC輸入的開關電源的輸入過欠壓維護原理大致相同。維護電路的取樣電壓均來自輸入濾波后的電壓。取樣電壓分為兩路,一路經R1、R2、R3、R4分壓后輸入比較器3腳,如取樣電壓高于2腳基準電壓,比較器1腳輸出高電平去操控主操控器使其關斷,電源無輸出。另一路經R7、R8、R9、R10分壓后輸入比較器6腳,如取樣電壓低于5腳基準電壓,比較器7腳輸出高電平去操控主操控器使其關斷,電源無輸出。
上一篇:各種開關電源拓撲電路的優缺點
下一篇:淺談開關電源的閉環設計方案


