


單端自激式開關電源,畫出交通通路能夠發現變壓器的初級兩個線圈別離接三極管的三個電極,所以又稱電感三點式。三極管既做開關元件又做振蕩元件,好處是不需要外加操控信號,缺點是不穩定,功率低下。常用于小功率開關電源,比方一些手機的充電器便是選用這種方法。此種開關電源電路的頻率取決于C1和R2的參數。
單端反激式電路:所謂的單端是指高頻開關電源的變壓器磁芯僅作業在磁滯回線的一側。所謂的反激,是指Q1導通時,L1電壓方向上正下負,L2上負下正。整流二極管D1處于截止情況,在Ll中存儲能量;Q1截止時極性轉換為:Ll上負下正,L2上正下負,D1導通,變壓器中的能量通過L2及D1整流、C1濾波后向負載輸出。
該種開關電源成本較低,能夠輸出多組不同的電壓,電壓調整方便,因而運用非常廣泛。首要缺點是:紋波電壓較大(一個周期僅作業半個周期左右)。另一點便是,當Q截止時,Q1接受很大的反向電壓。U=2Ui,所以Q1選擇耐壓較大的。
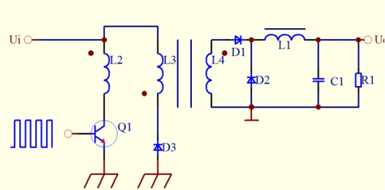
單端正激式:結構與單端反激式電路相似,但兩者之間又有不同。體現為:Q1導通時,D1導通,電路向負載傳輸能量,一同Ll貯存能量。當Q1截止時L3經D3續流,Ll經D2續流繼續向負載提供能量。
這種開關電源電路,輸出功率較大(不管Q1導通與截止,都有能量傳遞到負載上)―可是存在問題是:變壓器結構凌亂,體積較大,所以其實踐運用很少。
推挽式電路:每個開關管只作業半個周期,管子替換作業,所以輸出功率較大,一同Q1和 Q2是共地的,驅動操控電路也很簡單,能夠選用經典的SG3525驅動。值得注意的是Q1和Q2一同導通時,也就意味著Ll和L3短路。實踐中一般設置死區以防止兩個管子一同導通。
全橋式:電路由Q1、Q2、Q3、Q4組成橋式電路,如圖中所給出的信號,Q1和Q4先導通,Q2、Q3截止。電流流向:電源正→Q1→L1→Q4→電源負。后半周Q1、Q4截止,Q2、Q3導通,電流流向:電源正→Q3→L1→Q2→電源負。操控電路略微有點凌亂,需求四組不共地的驅動信號。電路不允許Q1和Q2一同導通,也不允許Q3和Q4一同導通,一同導公例意味著電源短路,Q1、Q2、Q3、Q4會炸飛的。一同假如Q1、Q4與 Q2、Q3的導通時刻不對稱,那么,L1的交通電壓就會呈現很大的直流重量,形成磁飽滿。
半橋式:相對于全橋式少用了一半的管子,L1兩頭電壓為開關電源電壓的一半,可是要提高變壓器的匝數比才能夠滿足要求。一起也給驅動電路的規劃帶來了便當。只需要兩路隔絕并且不共地的信號即可。
并聯式開關電源經變壓器進行耦合,完成了高低壓的隔離,大幅度提高了安全系數。一起要注意的是,在進行開關電源的設計時要有較好的磁學根底以及電路根底。開關電源的管子僅作業在兩種情況:導通、關停,應盡量防止因驅動缺少而使管子作業的線性放大區,由于那時管子的損耗是很大的,管子很簡單損壞。
上一篇:開關電源的穩壓與控制
下一篇:開關電源的運行原理與電路介紹


