


1) 眾所周知,當輸出端逾越額定負載或短路時,會對開關電源構成損壞,致使電力系統無法正常作業。針關于此咱們在規劃開關電源時要對產品停止限流維護規劃。那么方法很多,咱們可以將他規劃到開關電源的輸入端或許規劃到開關電源的輸出端。要到達最佳的規劃方法就要以實踐的情況而定,以下幾種方法都是開關電源常用的控制方法:
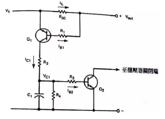
2) 初期參考直接驅動方式的開關電源可規劃到輸入端,如下圖所示
圖一
圖中兩種電路的作業原理是:
(a)圖:在輸出端有過載或短路情況發生時,此刻初級電流會很快的添加,Rsc上的就會發生電壓,此電壓逾越B-E的導通電壓,那么Q2就會導通,就會把Q2集電極電位拉到地,假設接的是震動電路此刻就會導至震動電路中止作業,然后到達維護的意圖。
Rsc的取值是:Rsc=Vbe/Ip
3) (b)圖中的電路是一種常用的限流維護電路,在還擊或許正激電路中遭到規劃者的歡送。他的作業進程和(a)圖的作業進程有些相似,可是他有些很好的長處,首要,比較器的電流約束激起臨限電壓可預制到一個精確的且可預制的準位上,這就相當于雙極性三極管有較大Vbe電壓范圍的臨限電壓值,其次是此臨限電壓足夠的小,根本上是100MV和200MV,因此電流約束電組就可較小,這樣就可以進步效率。
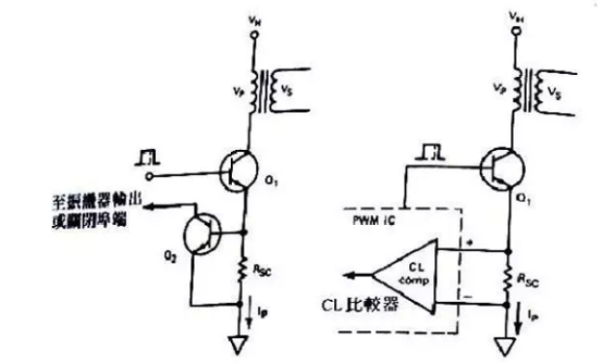
4) 應用在基極驅動器的電流約束電路
上圖所畫的電流約束電路圖合適于各種電路的開關電源供應器。此種電路的輸出部分是與控制電路共地的。
作業原理是:在正常的作業情況下,流入到Rsc上的Il不會發生很大的壓降,那么就不會使Q1導通,若負載電流足夠大就會在Rsc上發生電壓,使Q1導通。若Q1在OFF裝態時,而且Ic1=0時C1會全部放電掉,因此Q2也會處于OFF情況,假設Il電流逐步添加時,則Il*Rsc=VbeQ1+Ib1R1,此刻會合電極會有電流Ic1流過,并有下面的時間常數將C1充電T=R2*C1,那么C1上的電壓是:Vc1=Ib2R3+VbeQ2,為了使為了使電容器電壓的負載效應減到最低值,咱們可選用具有較高的HFE的達林凳管子來替代Q2,這樣可以把基極電流約束在微安培,我門在挑選電阻R4時要遠遠大于R3。這樣當電流過載時,C1電容會快速放電。
R2的取值如下:
IBL=(V1-VBEQ1)/R1
而且Ic1=HfeQ1IBLMAX
所以,R2>=(V1-VCEMAX)R1/(V1-VBEQ1)
在恰當的電路規劃上,VCE可以快速的抵達其電壓值,并將Q2三極管偏壓到導通情況,這樣一來就可以封閉穩壓器的驅動信號。當過載除掉后,電路會主動康復到作業情況。假設運用具有固定電流約束比較器的ICPWM控制電路,則圖一B的電路,咱們將電流約束電阻器RSC放到輸出的正端上,就能獲的良好的電流約束作用。
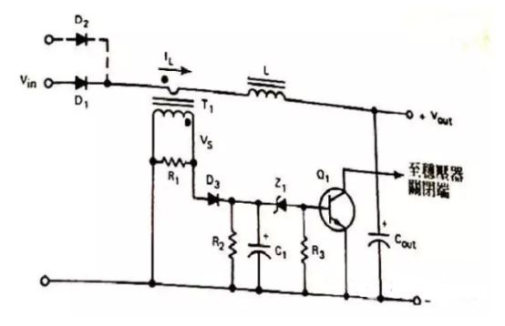
以上這兩種方法在檢測電流情況都作業良好。可是功率電阻器RSC的存在可能會變成不受歡送的,特別是在高電流輸出下會構成功率的消耗,影響到整機的效率。真關于次會有另一種方法來克制這種問題。那便是用變壓器來檢測過電流。而且電路中無消耗功率的元器件,如圖所示
作業原理是:T1用來檢測負載電流IL,因此電阻R1會有成比例的電壓發生。D3為整流二極管,R3C1整流后的濾波電路,若電流過載發生時,電容器C1上的電壓會添加到穩壓二極管Z1的導通電壓,此刻三極管Q1會導通,因此Q1集電極上的信號可以封閉穩壓器的驅動信號。
要留心的是:T1的規劃,材料的挑選要用陶鐵磁和MPP的環形鐵芯,可是鐵芯不能作業在飽和情況,圈數的規劃:初級圈數一般選一圈,次級圈數的挑選右次級的電壓所決議,NP/NS=IS/IP由于IR=VS/R1。
因此在最大指定負載電流IC情況下,次級圈數必需能在電容器C1上發生所希冀的電壓值,所以NS=NP*IRR1/(Vs+Vd3)。
至此我門就可以繞制一個精確的變壓器,而在實踐的電路測試上必需在圈數上稍做調整,以便能做到最佳的性能。
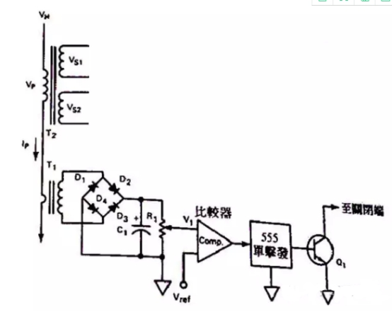
還有一種電流約束電路:如圖所示
不論是放在電源的輸入端或是輸出端部分都能做到叫好的作用,相同的此電路也能合適于多路輸出的電源供應器,可是有一點,關于多組輸出要使的各個電流約束能到達其作用,要用一番功夫。
上圖的作業原理是:
T1用來檢測T2的初級電流,T1后經二極管整流后電容濾波,可變電阻R1用來設定比較器輸入端的臨限電壓,在正長作業情況下,比較器的Vref參考輸入端電壓會高于電衛器R1上的電壓,此刻比較器的輸出會在高電平,此刻的555IC(單激多諧振蕩器)會有低電平的輸出,使Q1堅持在封閉情況。
假設過載發生時,電壓V1會高于VREF,使的比較器在底電位,IC555輸入端由高電位至底電位的轉化進程,會在IC555輸出端發生單激輸出,而將Q1ON,C極連到封閉的輸入端或是PWM電路的溫文發動電容器上,所以會牽引到地電平。而停止了輸出轉化脈波,并將穩壓器封閉,假設過栽情況繼續著,電源會處于打嗝情況中,便是它會以IC555單激RC時間常數的周期在ON與OFF情況之間,不停的轉化,直到過載去除后,電路才會康復康復到正常情況中,變壓器規劃同上一節。
上一篇:開關電源為什么會不起振
下一篇:低壓高效的開關電源電路設計


